Maison / Produit / PRESSION / Transmetteur de pression différentiel intelligent capacitif SPB
À propos de nous

Ningbo Qingyang Automation Technology Co., Ltd.

Usine d'instruments d'automatisation Yuyao Huangong

A été créé en 2000, spécialisé dans les produits d'automatisation industrielle. Après années de développement, a développé une série de stable et fiable, abordable, adapté à toutes sortes de mesures d'automatisation industrielle et de contrôle de la pression transmetteur, transmetteur de température et transmetteur de niveau.

  • 20+

    Années d'expérience

  • 1000+ �O

    Espace entreprise

  • 200+

    Membres de l'équipe

  • 30+

    Pays d'exportation

Honneur

  • honor
  • honor
  • honor
  • honor
  • honor
  • honor
  • honor
  • honor
Centre d'Information
Extension des connaissances de l'industrie de cette catégorie
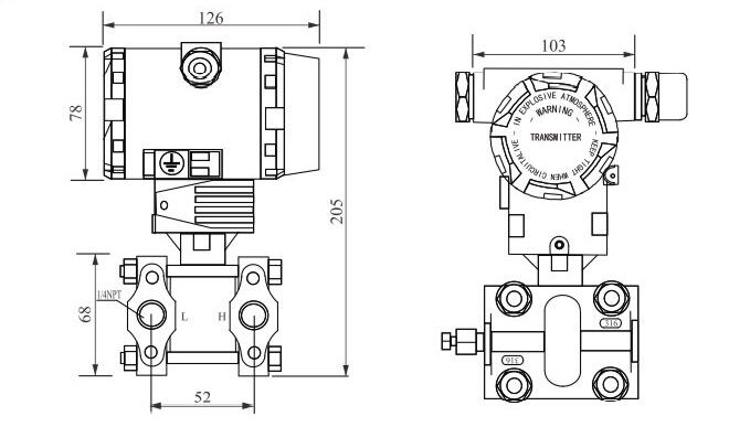
Qu'est-ce que le transmetteur de pression différentielle intelligent capacitif SPB
Transmetteur de pression différentiel intelligent capacitif SPB est un type de capteur de pression couramment utilisé dans les applications industrielles. Il est conçu pour mesurer la différence de pression entre deux points d'un système et fournir un signal de sortie proportionnel à la pression différentielle.
Le transmetteur de pression différentielle intelligent capacitif SPB utilise un élément de détection capacitif pour mesurer la différence de pression. L'élément de détection se compose de deux plaques parallèles séparées par un petit espace. Lorsqu'une pression est appliquée sur les plaques, la distance entre elles change, ce qui entraîne une modification de la capacité. Ce changement de capacité est ensuite converti en un signal électrique qui peut être utilisé pour déterminer la pression différentielle.
Types de transmetteur de pression différentielle intelligent capacitif SPB
Il existe plusieurs types de Transmetteurs de pression différentielle intelligents capacitifs SPB disponibles, et le choix du type dépend de l'application et des exigences spécifiques. Voici quelques-uns des types courants :
1. Transmetteur de pression absolue : Ce type de transmetteur mesure la pression différentielle entre un vide et une pression connue. Il est couramment utilisé dans les applications où la pression de référence est connue et fixe, comme dans les systèmes de vide ou les mesures de pression barométrique.
2. Transmetteur de pression manométrique : Ce type de transmetteur mesure la pression différentielle entre la pression de procédé et la pression atmosphérique. Il est couramment utilisé dans des applications telles que la surveillance du niveau des réservoirs, les systèmes CVC et les systèmes à air comprimé.
3. Transmetteur de pression différentielle : ce type de transmetteur mesure la différence de pression entre deux points d'un système. Il est couramment utilisé dans des applications telles que la mesure du débit, la surveillance des filtres et la surveillance des performances des pompes.
Avantages du transmetteur de pression différentielle intelligent capacitif SPB
Il y a plusieurs avantages à utiliser un Transmetteur de pression différentiel intelligent capacitif SPB pour la mesure et le contrôle de la pression :
1. Haute précision : l'élément de détection capacitif utilisé dans ces émetteurs offre une grande précision, même à des différentiels de basse pression.
2. Large gamme de mesure de pression : ces transmetteurs sont capables de mesurer une large gamme de pressions différentielles, des très basses aux très hautes pressions, selon le modèle spécifique.
3.Durabilité : ces émetteurs sont conçus pour fonctionner dans des environnements difficiles et peuvent résister à des températures, des pressions et des vibrations extrêmes.

Contact Us

*We respect your confidentiality and all information are protected.